Biegsame Wellen von SUHNER – Präzise Kraftübertragung für höchste Ansprüche
Für hohe Drehzahlen, enge Radien und anspruchsvolle Einsatzbereiche
Biegsame Wellen von SUHNER übertragen Drehbewegungen zuverlässig und vibrationsarm – auch dort, wo starre Antriebe an ihre Grenzen stoßen. Mit Drehzahlen bis zu 50.000 U/min und einer Vielzahl an Kombinationsmöglichkeiten sind sie die ideale Lösung für den Maschinenbau, die Medizintechnik, Fahrzeugbau, Luft- und Raumfahrt sowie viele weitere Industrien.
Wann kommt eine biegsame Welle zum Einsatz?




Als Ersatz für ungeschützte oder komplizierte Antriebe wie z.B. Winkelgetriebe, Kettenzüge, Kardangelenke, usw.
Wenn An- oder Abtrieb nicht oder ungenügend fluchten.
Übertragung von Kräften an Stellen, wo keine gradlinige Verbindung möglich ist.
Verbindung oder Antrieb von Elementen, die sich gegenseitig bewegen.




Zur Bedienung von Geräten in gefährlichen Bereichen.
Wenn Geräte von einem entfernten Antrieb mechanisch oder manuell bedient werden müssen.
Zur Dämpfung von Stössen der Antriebsmaschine oder Vibration von Werkzeugen.
Zur Senkung des Gewichtes bei handgehaltenen Werkzeugen usw.
Ihre Vorteile mit SUHNER

Flexibel & leistungsfähig:
Ideal für enge Bauräume und komplexe Bewegungsabläufe

Leise & vibrationsarm:
Für präzisen und ruhigen Lauf

Langlebig:
Hochwertige Materialien für extreme Einsatzbedingungen

Individuell konfigurierbar:
Mit wenigen Klicks zur passenden Lösung
Produktübersicht – für jeden Einsatz die passende Welle
Kraftübertragungswellen

Kraftübertragungswellen
Für Kraftübertragung im Maschinenbau, Flugzeugbau, Bahn, Handwerkzeuge, Betonvibratoren usw.
Aufbau
4–8 Drähte von hoher Zugfestigkeit pro Lage.
Anwendungsbereich
Kraftübertragung im Maschinenbau, Flugzeugbau, Bahn, Handwerkzeuge, Betonvibratoren ect.
Eigenschaften
Grosse Flexibilität, hohe Drehzahl, ruhiger und vibrationsarmer Lauf.
Downloads und Kontakt
Torsionsfeste Wellen

Torsionsfeste Wellen
Für Sitzverstellung, Fernbedienung von Ventilen, Maschinen, Armaturen in schwieriger Umgebung.
Aufbau
4–12 Drähte von hoher Zugfestigkeit pro Lage.
Anwendungsbereich
Z.B. Sitzverstellung, Fernbedienung von Ventilen, Maschinen, Armaturen in schwieriger Umgebung.
Eigenschaften
Torsionsarm, Links-/Rechtslauf, hohe Bruchlast.
Downloads und Kontakt
Tachometerwellen

Tachometerwellen
Für Antrieb von Tachometern, Zählern, Fahrtenschreibern.
Aufbau
4–6 Drähte von hoher Zugfestigkeit pro Lage.
Anwendungsbereich
Antrieb von Tachometern, Zählern, Fahrtenschreibern usw.
Eigenschaften
Grosse Flexibilität, geräusch- und vibrationsarm
Downloads und Kontakt
Rostfreie Wellen

Rostfreie Wellen
Chemische Industrie, Lebensmittel-, Nuklearindustrie, Medizintechnik.
Aufbau
4 – 12 Drähte nichtrostender Edelstahl von hoher Zugfestigkeit pro Lage.
Anwendungsbereich
Chemische Industrie, Lebensmittel-, Nuklearindustrie, Medizintechnik.
Eigenschaften
Grosse Flexibilität, hohe Drehzahl, Stossdämpfung, ruhiger und vibrationsarmer Lauf.
Downloads und Kontakt
Lärmkritische Wellen

SU-Flock-Wellen
Entwickelt für lärmkritische Anwendungen wie elektrische Sitze in Luxusautos, Anwendung in anderen friktions- und lärmkritischen Bereichen.
Anwendungsbereich
Z.B. elektrische Sitze in Luxusautos
Eigenschaften
Entwickelt für lärmkritische Anwendungen, Links-/Rechtslauf, hohe Belastung.
Downloads und Kontakt
Wellen für linear gesteuerte Bewegungen

SU-Flex-Wellen
Für linear gesteuerte Bewegungen, z.B. für Schiebedachantrieb, auch industrielle Anwendungen.
Anwendungsbereich
Z.B. für Fensterheber, zum Öffnen und Schliessen von Autodächern
Eigenschaften
Ideal für linear gesteuerte Bewegungen, die beflockte Ausführung ist speziell für lärmkritische Anwendungen geeignet.
Downloads und Kontakt
Hohlwellen

Hohlwellen
Orthopädische Bohrgeräte, Übertragung von Drehbewegungen und elektrischen/optischen Signalen durch den Wellenkern.
Aufbau
4–12 Drähte von hoher Zugfestigkeit pro Lage.
Anwendungsbereich
Z.B. Orthopädische Bohrgeräte, Übertragung von Drehbewegungen und elektrischen/ optischen Signalen durch den Wellenkern.
Eigenschaften
Hohler Wellenkern, ruhiger Lauf, hohe Flexibilität
Downloads und Kontakt
Komplettwellen

Standard-Komplettwellen SSB mit Gleitlagern
Für industrielle Anwendungen.
Aufbau
Bestehend aus Wellenseele mit beidseitig gleicher Kupplung und Kunststoff- oder Gummischlauch. Kupplung: zylindrische Bohrung mit Arretierschraube, bei den Typen –15/–20 zusätzlich mit Keilbahn.
Anwendungsbereich
Standard-Komplettwellen für industrielle Anwendungen.
Eigenschaften
Robuste Ausführung für Dauereinsätze.
Downloads und Kontakt

Standard-Komplettwellen SBB mit Kugellagern
Für industrielle Anwendungen.
Aufbau
Bestehend aus Wellenseele mit beidseitig gleicher Kupplung und Kunststoff- oder Gummischlauch. Kupplung: zylindrische Bohrung mit Arretierschraube, bei den Typen –15/–20 zusätzlich mit Keilbahn.
Anwendungsbereich
Standard-Komplettwellen für industrielle Anwendungen.
Eigenschaften
Robuste Ausführung für Dauereinsätze.
Downloads und Kontakt

Standard-Komplettwellen NA
Für den Einsatz mit Biegsame-Wellen- Maschinen von Suhner.
Anwendungsbereich
Für den Einsatz mit Biegsame-Wellen-Maschinen von Suhner. Bestehend aus Wellenseele mit Kupplungen, Gummischutzschlauch mit Verstärkungsstulpen und Kupplungen.
Downloads und Kontakt
Handverstellwellen

Handverstellwellen
Standard-Komplettwelle für professionelle Verstellmechanismen.
Aufbau
Bestehend aus Wellenseele mit Kupplung (zylindrische Bohrung mit Arretierschraube), Kunststoff-Schutzschlauch und Handrad.
Anwendungsbereich
Standard-Komplettwelle für professionelle Verstellmechanismen.
Downloads und Kontakt

Kupplungen
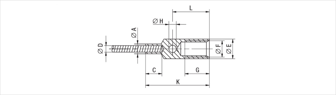
Schaftskupplungen

Schaftskupplungen
Zylindrischer Endanschluss
Aufbau
Zylindrischer Endanschluss, kann nachbearbeitet, aufgepresst oder gelötet werden.
Grundsätzliches zu Kupplungen
Bei der Lösung eines Kraftübertragungsproblems durch biegsame Wellen sollte aus Montage-/Demontage-Gründen ein System für Schnellkupplung und -entkupplung in Betracht gezogen werden. Die biegsame Drehwelle (sowie der Schutzschlauch) werden deshalb im Normalfall nicht direkt beim Antrieb bzw. bei den angetriebenen Komponenten angeschlossen, sondern durch verschiedenartige Kupplungen verbunden. Weil nur die Welle sich dreht, müssen Welle und Schutzschlauch unabhängig voneinander befestigt werden. Für biegsame Wellen werden somit komplette Verbindungssysteme eingesetzt, die üblicherweise aus Drehwellenkupplung und Schutzschlauchkupplung bestehen.
Arten von Biegewellenkupplungen
Wellenkupplungen können sowohl einsteck- wie aufsteckbar sein und durch Gewinde, Gewindestifte, Kupplungsflächen, Sechskantflächen, Keilprofile und Keilnute festgehalten werden. Die einfachste Art einer Wellenkupplung besteht darin, das Ende der Welle quadratisch abzuflachen, wodurch die Herstellungs- und Montagekosten von separaten Kupplungen hinfallen. Schnellschlusskupplungen werden bei Werkzeugen eingesetzt, die häufig gewechselt werden müssen. Insbesondere bei Kraftantrieben sollte eine der Drehwellenkupplungen in der Drehkupplung in Längsrichtung gleitfähig sein, um relative Änderungen der Wellenlänge (durch Biegung bzw. Änderungen der Drehlast) aufnehmen zu können.
Downloads und Kontakt
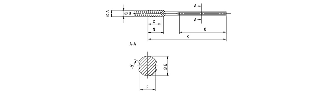
Hülsenkupplungen

Hülsenkupplungen
Zylindrischer Endanschluss mit Zentral- und Fixierbohrung
Aufbau
Zylindrischer Endanschluss mit Zentral- und Fixierbohrung, kann nachbearbeitet, aufgepresst oder gelötet werden.
Grundsätzliches zu Kupplungen
Bei der Lösung eines Kraftübertragungsproblems durch biegsame Wellen sollte aus Montage-/Demontage-Gründen ein System für Schnellkupplung und -entkupplung in Betracht gezogen werden. Die biegsame Drehwelle (sowie der Schutzschlauch) werden deshalb im Normalfall nicht direkt beim Antrieb bzw. bei den angetriebenen Komponenten angeschlossen, sondern durch verschiedenartige Kupplungen verbunden. Weil nur die Welle sich dreht, müssen Welle und Schutzschlauch unabhängig voneinander befestigt werden. Für biegsame Wellen werden somit komplette Verbindungssysteme eingesetzt, die üblicherweise aus Drehwellenkupplung und Schutzschlauchkupplung bestehen.
Arten von Biegewellenkupplungen
Wellenkupplungen können sowohl einsteck- wie aufsteckbar sein und durch Gewinde, Gewindestifte, Kupplungsflächen, Sechskantflächen, Keilprofile und Keilnute festgehalten werden. Die einfachste Art einer Wellenkupplung besteht darin, das Ende der Welle quadratisch abzuflachen, wodurch die Herstellungs- und Montagekosten von separaten Kupplungen hinfallen. Schnellschlusskupplungen werden bei Werkzeugen eingesetzt, die häufig gewechselt werden müssen. Insbesondere bei Kraftantrieben sollte eine der Drehwellenkupplungen in der Drehkupplung in Längsrichtung gleitfähig sein, um relative Änderungen der Wellenlänge (durch Biegung bzw. Änderungen der Drehlast) aufnehmen zu können.
Downloads und Kontakt
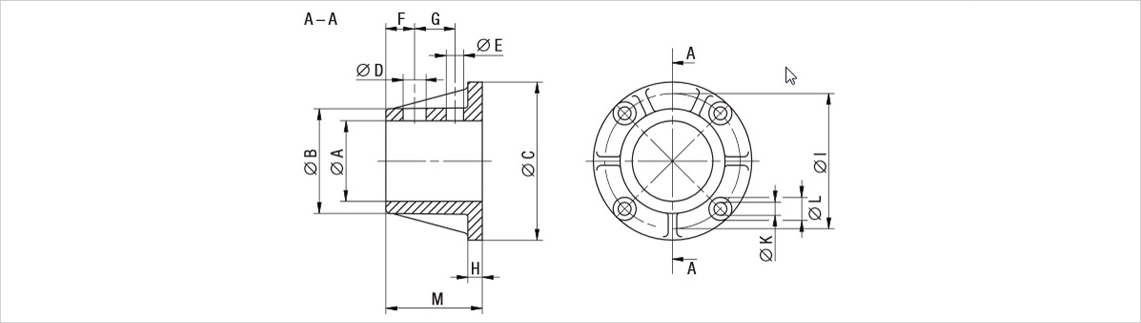
DIN 42995 Kupplung

DIN 42995 Kupplung
Zylindrischer Endanschluss mit metrischem Innengewinde
Aufbau
Zylindrischer Endanschluss mit metrischem Innengewinde links- oder rechtsgängig, kann aufgepresst oder gelötet werden.
Suhner Standardkupplungen
Zum Anschliessen der biegsamen Wellen an Maschinen und Apparate.
Der Schraubanschluss DIN
Genormte Anschlüsse nach DIN 42995. Die Welle wird dabei verschraubt. Solche Anschlüsse eignen sich vor allem für schwere Beanspruchung.
Downloads und Kontakt
Kupplung (Aussengewinde)

Kupplung (Aussengewinde)
Endanschluss mit metrischem Aussengewinde
Aufbau
Endanschluss mit metrischem Aussengewinde mit Querbohrung, kann aufgepresst oder gelötet werden.
Anwendungsbereich
Zum Anschliessen der biegsamen Wellen an Maschinen und Apparate.
Downloads und Kontakt
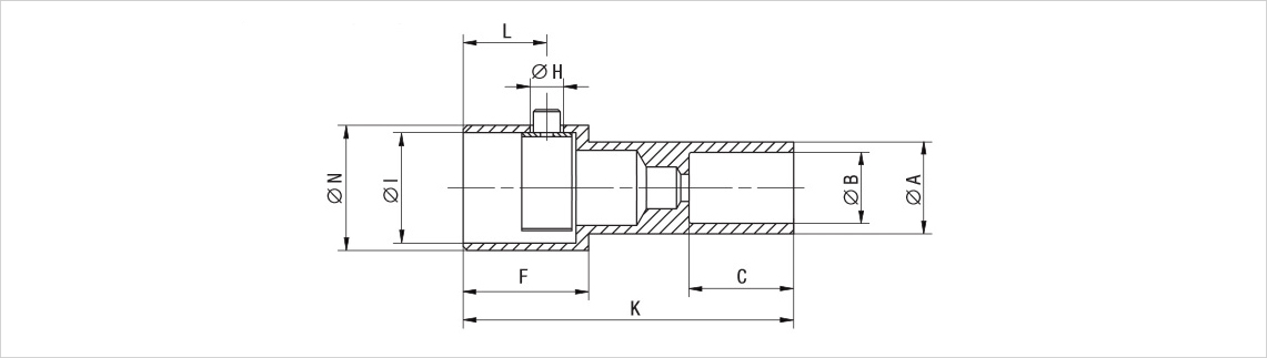
G Kupplung

G Kupplung
Patentierte Schnellkupplung mit automatischem Längenausgleich
Aufbau
Patentierte Schnellkupplung mit automatischem Längenausgleich, kann aufgepresst oder gelötet werden.
Anwendungsbereich
Zum Anschliessen der biegsamen Wellen an Maschinen und Apparate
Der Gleitanschluss Typ G
Funktioniert in der Art eines Steckanschlusses und erlaubt ein schnelles Wechseln der Werkzeughalter. Ferner ermöglicht der Anschluss eine Längsverschiebung der Welle gegenüber dem Schutzschlauch. Dadurch werden Zugspannungen in der Welle beim Betrieb in gebogenem Zustand vermieden.
Downloads und Kontakt
4-Kant

4-Kant
Einfacher Endanschluss mit Längenausgleich durch angepressten 4-Kant
Aufbau
Einfacher Endanschluss mit Längenausgleich durch angepressten 4-Kant.
Anwendungsbereich
Zum Anschliessen der biegsamen Wellen an Maschinen und Apparate.
Downloads und Kontakt
DIN 42995 Schlauch-Flansch

DIN 42995 Schlauch-Flansch
Fest montierbare Schlauchfixierung
Aufbau
Fest montierbare Schlauchfixierung. Geeignet für Schlauchkupplungen nach DIN 42995 mit Anschluss
DIN 10 und 15.
Anwendungsbereich
Kupplungsanschluss für Fremdmaschinen oder -geräte, rascher Schlauchwechsel, mit Verdrehsicherung, keine Verdrehnut.
Downloads und Kontakt
DIN 42995 Schlauch-Kupplung

DIN 42995 Schlauch-Kupplung
Steckbare Schlauchfixierung mit Arretierfeder
Aufbau
Steckbare Schlauchfixierung mit Arretierfeder nach DIN 42995.
Suhner Standardkupplung
Für häufig und rasch zu wechselnde Anschlüsse. Kupplung Typ G als abtriebsseitiger Längenausgleich ausgebildet.
Downloads und Kontakt

Schläuche
Gummischlauch Typ G

Gummischlauch Typ G
Aufbau
Flachstahlspirale mit Textilgeflecht und 2 Lagen Neopren. Fett- und ölbeständig.
Anwendungsbereich
Für Kraftübertragung und schwere Arbeiten mit Hand- und Werkzeugmaschinen.
Downloads und Kontakt
Metallschlauch SE

Metallschlauch SE
Aufbau
Blanke Oberfläche, geringe Flexibilität, formstabil.
Anwendungsbereich
Stationäre Installationen, mittlere und leichte Arbeiten.
Downloads und Kontakt
Metallschlauch SEP

Metallschlauch SEP
Aufbau
Wie Metallschlauch SE, kunststoffbeschichtet, flexibel.
Anwendungsbereich
Für mobile und stationäre Anlagen mit Ansprüchen an Flexibilität.
Downloads und Kontakt
Metallschlauch M

Metallschlauch M
Aufbau
Flachstahlspirale, in Metallschlauch verzinkt, gedichtet.
Anwendungsbereich
Für mittlere und schwere Arbeiten bei stationären oder wechselnden Einsatzorten. Auch für hohe Temperaturen geeignet.
Downloads und Kontakt
Kunststoffschlauch Typ K

Kunststoffschlauch Tpy K
Materialien
PB (Polybuten), PE (Polyethylen), PA (Polyamid).
Anwendungsbereich
Für einfache Anwendungen.
Downloads und Kontakt
Kunststoffschlauch Tpy Ka

Kunststoffschlauch Tpy Ka
Aufbau
Kunststoffschlauch mit Innenschlauch aus Polyamid, Stahldrahtgeflecht und Aussenmantel aus Polybuten.
Anwendungsbereich
Für Anwendungen mit erhöhten Temperaturen, längenstabil.
Downloads und Kontakt
Schlauch P

Schlauch P
Aufbau
Flachstahlspirale mit Stahlgeflecht, PVC ummantelt.
Anwendungsbereich
Für leichte Arbeiten und grösstmögliche Biegsamkeit.
Downloads und Kontakt
Schlauch BR, BF, BRP, BFP

Kunststoffbeschichteter Schlauch BR, BF, BRP, BFP
Aufbau
Rund- oder Flachstahlspirale, PVC ummantelt.
Anwendungsbereich
Für Bremskabel und leichte Arbeiten.
Downloads und Kontakt
Online-Konfigurator – Ihre Welle in wenigen Klicks
Mit unserem intuitiven Online-Konfigurator stellen Sie Ihre Wunsch-Welle einfach und schnell zusammen. Wählen Sie Länge, Drehrichtung, Drehmoment, Drehzahl und Zubehör individuell aus.
SUHNER – Ihr Partner für bewegliche Lösungen
Mit über 100 Jahren Erfahrung entwickeln und fertigen wir bei SUHNER langlebige, anwendungsspezifische Komponenten – Made in Switzerland.
Kontaktieren Sie uns für individuelle Lösungen oder technische Beratung:
Zum Kontaktformular
Flexible Shaft Components: Planung & Auswahl
Für die Auswahl von Biegsamen Wellen müssen die betriebstechnischen Anforderungen bekannt sein, insbesondere das zu übertragende maximale Drehmoment, die zu übertragende Leistung sowie die Betriebsdrehzahl.
Reihenfolge der Planung:
1. Betriebstechnische Anforderungen klären
2. Durchmesser sowie richtige Kombination von Wellenseele und Mantel wählen.
3. Endanschlüsse und Zubehör bestimmen
Bauteile einer Biegsamen Welle
Bauteile einer Biegsamen Welle

Drehmoment
Drehmoment
Das zu übertragende Drehmoment und die dazu passende Grösse der Wellenseele (und davon abgeleitet des Schutzschlauches) kann mit Hilfe der Leistung und der Drehzahl anhand untenstehender Formel ermittelt werden. Die in den Grössentabellen angegebenen Werte gelten für Geschwindigkeiten von 20 % der max. Drehzahl und bei geraden Einbauverhältnissen. Bei höheren Drehzahlen sinkt das max. Drehmoment proportional. Die Abhängigkeit vom Biegeradius ist aus untenstehendem Diagramm ersichtlich. In Gegenrichtung ist das Drehmoment 30 % geringer. Das maximal zulässige Drehmoment gemäss Tabelle darf nicht überschritten werden, da sonst eine bleibende Verformung der Welle entstehen kann.

Leistung
Leistung

Drehrichtung
Drehrichtung
Eine Biegsame Welle unterscheidet sich nebst Aufbau der verschiedenen Lagen durch ihre Wickelrichtung. Eine linksgewickelte Welle (bezogen auf die äusserste Lage), kann im Uhrzeigersinn ein höheres Drehmoment übertragen als im Gegenuhrzeigersinn, eine rechtsgewickelte Welle kann im Gegenuhrzeigersinn ein höheres Drehmoment übertragen. Je nach Konstruktion der Welle kann in beiden Richtungen auch eine ungefähr gleiche Belastbarkeit erreicht werden.

1. Bild:
Äusserste Lage linksgewickelt für den Betrieb im Uhrzeigersinn (Rechtslauf)
2. Bild:
Äusserste Lage rechtsgewickelt für den Betrieb im Gegenuhrzeigersinn (Linkslauf)
Einsatzgeometrie
Einsatzgeometrie
Da die Einsatzgeometrie einen grossen Einfluss auf die übertragbare Leistung hat, sollten Biegsame Wellen in möglichst grossen Radien verlegt werden.
Einfluss des Betriebsradius auf die übertragbare Leistung
Die in den Tabellen angegebenen Drehmomente und Drehzahlen für den Betrieb der Welle gelten in relativ ungekrümmtem Zustand. Wird die Welle bei starker Krümmung betrieben, so werden die angegebenen Werte unterschritten. Unten stehende Diagramme zeigen Richtwerte über die maximal zulässige Leistungsübertragung in Abhängigkeit vom Betriebsradius.
Minimaler Biegeradius
Minimaler Biegeradius
Die maximal zulässige Krümmung für den Betrieb der Welle wird als «minimaler Biegeradius» bezeichnet.



Betriebsradius
Betriebsradius
Da Biegsame Wellen keine genaue Ausrichtung von Motor- und Werkeinheit erfordern, wird eine Vereinfachung der Gerätekonstruktion bewirkt. Bei parallel verschobenem Standort von Antrieb und Werkeinheit kann der Biegeradius wie folgt berechnet werden:

Besondere Betriebsbedingungen
Besondere Betriebsbedingungen
Für den optimalen Einsatz von Biegsamen Wellen müssen die äusseren Einflüsse mitberücksichtigt werden – beispielsweise extrem hohe oder tiefe Temperaturen, Feuchtigkeit, rostfördernde Einflüsse, Staub, magnetische Felder, Erschütterungen usw. Diese Randbedingungen sind weitere Grundlagen für die Auswahl des Materials von Wellenseele und Schutzschlauch sowie deren Herstellung. Wir beraten Sie gerne.
Wichtige Kriterien
Wichtige Kriterien
Bei der Wahl von Welle und Schutzschlauch mit Anschlusskupplung sind folgende Punkte zu beachten:
- Lebensdauer
- Flexibilität
- Gewicht
- Dauer- oder Intervallbetrieb
- Schnelles Auswechseln der Werkzeughalter
- Verhältnis von Länge der Welle zu Länge der Kupplung
- Längenunterschied zwischen Seele und Schutzschlauch
Verdrehungsgrad
Verdrehungsgrad
Entspricht dem Verdrehwinkel einer belasteten Welle. Der gewünschte maximale Verdrehungsgrad ist mitbestimmend für den erforderlichen Durchmesser und den Typ der Welle. Der Verdrehwinkel einer Welle ist proportional zum Drehmoment und der Länge der Welle.
Verdrehung

Y = Verdrehwinkel bei Lastmoment [°]
S = Torsionssteifigkeitskonstante gemäß Tabelle [°/10 Ncm/m]
Mb = Lastmoment [Ncm]
L = Länge der Welle [m]
Maximale Bruchlast

Bei diesem Drehmoment bricht die Welle oder verzieht sich bis zur bleibenden Verformung. Die Werte hierfür können den Tabellen entnommen werden.
Verringerung des Verdrehungsgrades
Der Torsionsgrad einer Biegewelle ändert sich proportional zum Drehmoment. Um die Torsion und damit die Belastung so gering wie möglich zu halten, sollte die Biegewelle daher mit möglichst hohen Drehzahlen betrieben werden. Wird die Drehzahl erhöht, sollte sich das Getriebe auf der Motorseite (Antriebsseite) befinden, wird sie verringert, sollte es auf der Werkzeugseite sein.
Drehzahl, Führung, Länge
Drehzahl
Die maximale Drehzahl einer Biegsamen Welle ist aus den Tabellen ersichtlich. Die zulässige Drehzahl ist abhängig von der Einbausituation und dem zu übertragenden Drehmoment.
Führung
Als Faustregel gilt: Ab 20 bis 30 × sollte die Welle geführt werden. Nicht jeder Schutzschlauch ist für alle Anwendungen geeignet (z.B. Reibungswärme). Als Faustregel für das Verhältnis Wellendurchmesser zu Schlauch-Innendurchmesser kann 1:1,2 angenommen werden.
Länge
In der Praxis haben sich, je nach Einsatz und Wellendurchmesser, Biegsame Wellen bis zu 15 m bewährt.
Schutzschläuche, Wartung
Schutzschläuche
Bei schnell drehenden Wellen und bei Wellen über 5 bis 8 cm wird ein Schutzschlauch empfohlen.
Damit wird Folgendes gewährleistet:
- Arbeitssicherheit für Personen und Material.
- Handhabung der rotierenden Welle im Betrieb.
- Schutz der rotierenden Welle und Erhaltung der Schmierung.
- Führung und Halterung der Welle. (Torsionsfeste Wellen können durch Führungsringe gehalten werden.)
- Ruhiger Betrieb.
- Kein Verdrillen der Wellenseele unter Last.
- Stossdämpfung und Dämpfung von Zug- und Druckkräften.
Wartung
Die Wartung hängt im Wesentlichen vom Einsatz ab. Bei normaler Beanspruchung ohne besondere Einflüsse (Nässe, Hitze, Staub usw.) sollte die Wellenseele nach ca. 200 Betriebsstunden gereinigt und gefettet werden. Bei extremen Verhältnissen, wie z.B. bei Nassbetrieb, ist das Reinigen und Fetten bereits nach 50 Betriebsstunden zu empfehlen.
Erklärungen
Erklärungen
X Letzte Ziffer:
1 für den Betrieb im Uhrzeigersinn
2 für den Betrieb im Gegenuhrzeigersinn
1. Min. Biegeradius: Darf nicht unterschritten werden.
2. Verdrehungswinkel: Verdrehwinkel bei Belastung von 1 m Welle mit einem Drehmoment von 10 Ncm.
3. Max. Bruchlast: Bei dieser Belastung bricht die Welle.
4. Max. Drehmoment: Die angeführten Werte gelten bei geradem Einbau für Geschwindigkeiten von 20 % der max. Tourenzahlen.

Folgen Sie uns auf